Products > Practical > Dummy Components > SMR > SMR
SMR — Surface Mount Resistors

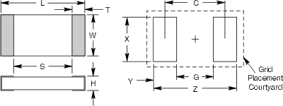
SMR Component Dimension

SMR Land Pattern Dimension

Note: If a more robust pattern is desired for wave soldering devices larger than 1608 (0603), add 0.2mm to the “Y” dimension and consider reducing the “X” dimension by 30%. Add a “W” suffix to the number; e.g., 103w.

