Products > Practical > Dummy Components > SMC
SMC Surface Mount Ceramic Capacitors
Click to jump to:
SMC — Plastic Tape
SMC — Paper Tape
SMC — Lead Free
SMC — Wide Terminations
SMC — Surface Mount Ceramic Capacitor (Plastic Tape)
| Drawing | Part Number | Body Size | Tape Width |
Tape Pitch |
Quantity 7" Reel |
Quantity Bulk Cassette |
|
| (Inch) | (mm) | ||||||
| 0805SMC-PL | .08" x .05" | 2.0 x 1.2mm | 8mm | 4mm | 4,000 | 10,000 | |
| 1206SMC-PL | .12" x .06" | 3.2 x 1.6mm | 8mm | 4mm | 3,000 | 5,000 | |
| 1210SMC-PL | .12" x .10" | 3.2 x 2.5mm | 8mm | 4mm | 3,000 | — | |
| 1812SMC-PL | .18" x .12" | 4.5 x 3.2mm | 12mm | 8mm | 1,100 | — | |
| 1825SMC-PL | .18" x .25" | 4.5 x 6.4mm | 12mm | 8mm | 1,000 | — | |
SMC — Surface Mount Ceramic Capacitor (Paper Tape)
| Drawing | Part Number | Body Size | Tape Width |
Tape Pitch |
Quantity 7" Reel |
Quantity Bulk Cassette |
|
| (Inch) | (mm) | ||||||
| 0201SMC-PA | .02" x .01" | 0.5 x 0.3mm | 8mm | 2mm | 15,000 | 50,000 | |
| 0402SMC-PA | .04" x .02" | 1.0 x .05mm | 8mm | 2mm | 10,000 | 50,000 | |
| 0603SMC-PA | .06" x .03" | 1.5 x .08mm | 8mm | 4mm | 4,000 | 15,000 | |
| 0805SMC-PA | .08" x .05" | 2.0 x 1.3mm | 8mm | 4mm | 5,000 | 10,000 | |
| 1206SMC-PA | .12" x .06" | 3.0 x 1.5mm | 8mm | 4mm | 4,000 | 5,000 | |
- Surface mount capacitors come on standard 7" reels (larger quantity reels are available upon request).
- Plastic carrier tape is non-standard for some carrier sizes.
- PL = plastic tape, PA = paper tape.
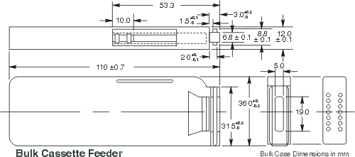
- Add a “B” to the end of the part number for bulk.
- Add a “C” to the end of the part number for bulk cassette feeder.
- The numeric section of the part number refers to the physical body size (in inches) of the component. For example: Part number 0805SMC-PL has a body size of .08" length by .05" width.
- Chip capacitor arrays are available (call for more details).
SMC — Surface Mount Ceramic Capacitors (Lead-Free)
| Part Number | Body Size | Tape Width |
Quantity 7" Reel |
|
| (Inch) | (mm) | |||
| 0402SMC-PA-LFNB | .04" x .02" | 1.0 x .05mm | 8mm | 10,000 |
| 0603SMC-PA-LFNB | .06" x .03" | 1.5 x .08mm | 8mm | 4,000 |
| 0805SMC-PA-LFNB | .08" x .05" | 2.0 x 1.3mm | 8mm | 4,000 |
| 1206SMC-PL-LFNB | .12" x .06" | 3.0 x 1.5mm | 8mm | 4,000 |
- Chip capacitors are now available with Nickel barrier terminations. These are recommended for solder attachment applications due to the barrier's increased ability to resist silver leaching, which can occur after prolonged exposure to soldering techniques.
SMC — Surface Mount Ceramic Capacitors (Wide Terminations)
| Drawing | Part Number | Body Size | Tape Width |
Tape Pitch |
Quantity 7" Reel |
Quantity Bulk Cassette |
|
| (Inch) | (mm) | ||||||
| 0306SMC-PA | .03" x .06" | 0.8 x 1.6mm | 8mm | 2mm | 3,000 | — | |
| 0508SMC-PA | .05" x .08" | 1.2 x 2.0mm | 8mm | 4mm | 3,000 | — | |
| 0612SMC-PA | .06" x .12" | 1.6 x 3.2mm | 8mm | 4mm | 3,000 | — | |

