Products > Practical > Dummy Components > SMC > SMC

Return to SMC Part Numbers

SMC — Surface Mount
Ceramic Capacitors

SMC Surface Mount Ceramic Capacitor Drawing

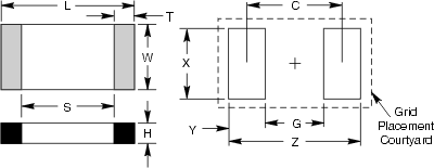
SMC Component Dimension

SMC Component Dimension Table

SMC Land Pattern Dimension

SMC Land Pattern Dimension Table

Return to SMC Part Numbers

  |  Print page