P/N Stencil/Insert set
Component Information |
P/N Stencil
Component pattern |
P/N Insert |
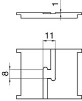
XURB-S/I-156-1-15-1.2
Component Information
BGA156;
I/O Count 156;
Pitch 1.0mm;
Body Size 15mm;
Plastic Height 1.2mm
|
XURB-S-156-1-15

A = 1.0 mm; B = 15 mm; C = 1.2 mm |
XURB-I-15-1.2

X = 15 mm; Y = 15 mm; Z = 1.2 mm
|
XURB-S/I-456-1-23-1.6
Component Information
BGA456;
I/O Count 456;
Pitch 1.0mm;
Body Size 23mm;
Plastic Height 1.6mm
|
XURB-S-456-1-23

A = 1.0 mm; B = 23 mm; C = 1.6 mm
|
XURB-I-23-1.6

X = 23 mm; Y = 23 mm; Z = 1.6 mm
|
XURB-S/I-324-1.27-27-1.6
Component Information
BGA324;
I/O Count 324;
Pitch 1.27mm;
Body Size 27mm;
Plastic Height 1.6mm
|
XURB-S-324-1.27-27

A = 1.27 mm; B = 27 mm; C = 1.6 mm
|
XURB-I-27-1.6

X = 27 mm; Y = 27 mm; Z = 1.6 mm
|
XURB-S/I-352-1.27-27-1.6
Component Information
BGA352;
I/O Count 352;
Pitch 1.27mm;
Body Size 27mm,
Plastic Height 1.6mm
|
XURB-S-352-1.27-27

A = 1.27 mm; B = 27 mm; C = 1.6 mm
|
XURB-I-27-1.6

X = 27 mm; Y = 27 mm; Z = 1.6 mm
|
XURB-S/I-696-1-31-1.8
Component Information
BGA696;
I/O Count 696;
Pitch 1mm;
Body Size 31mm;
Plastic Height 1.8m
|
XURB-S-696-1-31

A = 1 mm; B = 31 mm; C = 1.8 mm
|
XURB-I-31-1.8

X = 31 mm; Y = 31 mm; Z = 1.8 mm
|
XURB-S/I-388-1.27-35-1.8
Component Information
BGA388;
I/O Count 388;
Pitch 1.27mm;
Body Size 35mm;
Plastic Height 1.8m
|
XURB-S-388-1.27-35

A = 1.27 mm; B = 35 mm; C = 1.8 mm
|
XURB-I-35-1.8

X = 35 mm; Y = 35 mm; Z = 1.8 mm
|
XURB-S/I-456-1.27-35-1.8
Component Information
BGA456;
I/O Count 456;
Pitch 1.27mm;
Body Size 35mm;
Plastic Height 1.8m
|
XURB-S-456-1.27-35

A = 1.27 mm; B = 35 mm; C = 1.8 mm
|
XURB-I-35-1.8

X = 35 mm; Y = 35 mm; Z = 1.8 mm
|
XURB-S/I-492-1.27-35-1.8
Component Information
BGA492;
I/O Count 492;
Pitch 1.27mm;
Body Size 35mm;
Plastic Height 1.8m
|
XURB-S-492-1.27-35

A = 1.27 mm; B = 35 mm; C = 1.8 mm
|
XURB-I-35-1.8

X = 35 mm; Y = 35 mm; Z = 1.8 mm
|
XURB-S/I-596-1.27-35-1.8
Component Information
BGA596;
I/O Count 596;
Pitch 1.27mm;
Body Size 35mm;
Plastic Height 1.8m
|
XURB-S-596-1.27-35

A = 1.27 mm; B = 35 mm; C = 1.8 mm
|
XURB-I-35-1.8

X = 35 mm; Y = 35 mm; Z = 1.8 mm
|
XURB-S/I-676-1.27-37.5-1.8
Component Information
BGA676;
I/O Count 676;
Pitch 1.27mm;
Body Size 37.5mm;
Plastic Height 1.8m
|
XURB-S-676-1.27-37.5

A = 1.27 mm; B = 37.5 mm; C = 1.8 mm
|
XURB-I-37.-1.8

X = 37.5mm; Y = 37.5mm; Z = 1.8mm
|
XURB-S/I-432-1.27-40-1.6
Component Information
BGA432;
I/O Count 432;
Pitch 1.27mm;
Body Size 40mm;
Plastic Height 1.6m
|
XURB-S-432-1.27-40

A = 1.27 mm; B = 40 mm; C = 1.6 mm
|
XURB-I-40-1.6

X = 40 mm; Y = 40 mm; Z = 1.6 mm
|
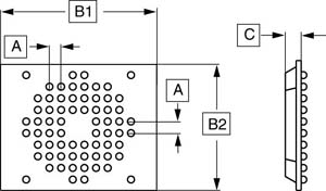
XURB-S/I-69-0.8-11x8-1
Component Information
BGA69;
I/O Count 69;
Pitch 0.8mm;
Body Size 11x8mm;
Plastic Height 1mm
|
XURB-S-69-0.8-11x8
A = 0.8 mm; B1 = 11 mm;
B2 = 8 mm; C = 1.6 mm
|
XURB-I-11x8-1

|
XURB-S/I-208-0.8-15-1.2
Component Information
BGA208;
I/O Count 208;
Pitch 0.8mm;
Body Size 15mm;
Plastic Height 1.2mm
|
XURB-S-208-0.8-15

A = 0.8 mm; B = 15 mm; C = 1.2 mm
|
XURB-I-15-1.2

X = 15 mm; Y = 15 mm; Z = 1.2 mm
|